游艇会

Brief description of application fields

Digital frequency conversion generator is a new type of generator integrating electronics and frequency conversion technology. The digital frequency conversion generator set is mainly composed of general gasoline engine, digital frequency conversion generator, inverter, control panel and control software. The digital frequency conversion generator has the advantages of small volume, light weight and stable output

Digital frequency conversion generator is a new type of generator integrating electronics and frequency conversion technology. The digital frequency conversion generator set is mainly composed of general gasoline engine, digital frequency conversion generator, inverter, control panel and control software. The digital frequency conversion generator has the advantages of small volume, light weight and stable output. The disadvantage is that the frequency converter is composed of IGBT semiconductor components and a set of control circuits.

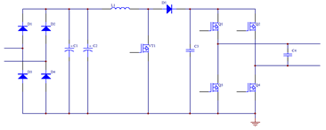
Schematic diagram of digital variable frequency generator

Solution Brief

Evaluate the driving scheme, output voltage, PCB layout and design margin of the machine, such as excessive driving negative pressure and small dead zone

Product recommendation

The following power devices are used in the digital variable frequency generator industry

Product Name Bvces(V) Package Ic(A) Eoff(mJ) Vce(sat)(V)
SGT75T60SDM1P7 600 TO-247-3L 75 1.2 -
SGT60N60FD1P7 600 TO-247-3L 60 1.77 <2.7
SGT40N60FD2PN 600 TO-3P 40 0.8 <2.7

Copyright ? 游艇会 All Rights Reserved 沪ICP备05064014号-1   网站设计:JCE

  • 首页
  • 联系电话
  • 返回顶部
  • 网站地图