游艇会

Brief description of application fields

Photovoltaic inverter (PV inverter or solar inverter) can convert the variable DC voltage generated by photovoltaic (PV) solar panels into an inverter with mains frequency alternating current (AC), which can be fed back to commercial transmission system or used for off grid power grid. Photovoltaic inverter is one of the important system balance (BOS) in photovoltaic array system, which can be used with general AC power supply equipment.

In 2014, the conversion efficiency of advanced photovoltaic inverters can reach 98%, in which the string inverter will use residential or medium-sized photovoltaic systems, while the central inverter will use large-scale commercial systems and even grid level markets. The market share of central inverter and series inverter is 50% and 48% respectively, and the market share of micro inverter is less than 2%.

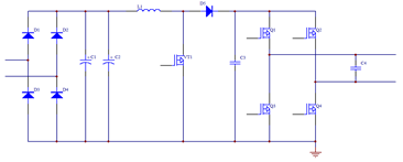
Schematic diagram of photovoltaic inverter circuit

Solution Brief

The driving scheme, vector control, switching frequency, current sharing characteristics, short-circuit impact, high temperature load and margin design of the whole machine are analyzed, and a good matching scheme is given in combination with the waveform temperature rise.

Product recommendation

The following power devices are used in the photovoltaic inverter industry.

Product Name VCES[V] IC @100℃[A] VCE(sat), typ @25℃[V] Eon, typ @25℃[mJ] Eoff, typ @25℃[mJ] tsc, typ @125℃[μs] package
TGL75N120FDR 1200 75 1.79 8.48 3.18 5us(min) TO-264
TGAN40N120FDR 1200 40 2 3.66 0.79 10 TO-3PN
TGAN80N65F2DS 650 80 1.85 3.05 1.11 - TO-3PN
TGAN60N65F2DR 650 60 1.6 2.07 0.97 5us(min) TO-3PN
TGH40N65F2DR 650 40 1.6 1.06 0.55 5us(min) TO-247

Copyright ? 游艇会 All Rights Reserved 沪ICP备05064014号-1   网站设计:JCE

  • 首页
  • 联系电话
  • 返回顶部
  • 网站地图